
Expansor 3

O expansor ganhou popularidade. Vários artigos foram publicados.


Popular Mechanics Julho 1940

Excelente circuito de reprodução e gravação publicado em Radio News maio de 1941


Practical Amplifier Diagrams, Jack Robin & Chester Lipman, 1947


Amplificador expansor integrado com controle de graves, médios e agudos.
Record and reproduction of sound Oliver Read

Obtido de “Record and reproduction of sound” Oliver Read
Pre-amplificadores compressores para gravação.

Pré-amplificador compressor
Compressor de linha IRT

Limitador compressor fotoelétrico

Compressor limitador Altec 436C

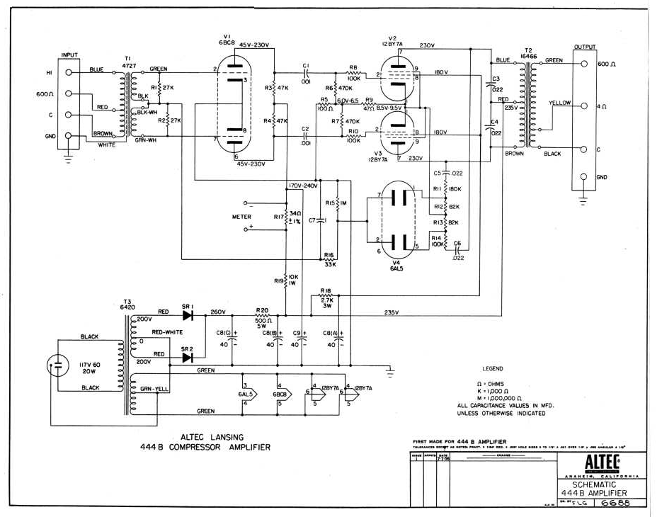
Compressor limitador Altec 444B

Compressor limitador Collins 356E-1
Amplificador expansor compressor de Roger Russel. Popular Electronics outubro 1964 http://www.roger-russell.com/compressor/articlepe.pdf
Apesar de ser transistorizado não poderíamos deixar de anexá-lo em virtude da extraordinária simplicidade do mesmo.

xxxxxxxxxxxxxxxxxxxxxxxxxxxxxxxx