
5. NOVAS CONFIGURAÇÕES NOS CIRCUITOS ELETRÔNICOS
DOS NOVOS MODELOS

O QUAD II Classic:
Trata-se de uma repetição do modelo II pré-1970. A parte das novas conexões externas e pintura do chassis e transformadores a única mudança elétrica foi a substituição da retificadora GZ32 pelas GZ34. Não esqueceremos os novos terminais de saída e 0, 4 ou 8 e 16 Ohms, adotados também nas séries 40 e 80.
O QUAD II 40:
Caracteriza-se pela maior tensão de alimentação, novas válvulas no inversor de fase e válvulas mais potentes na saída e na retificação. Logicamente transformadores mais reforçados em todo o circuito.

O inversor de fase do QUAD II40 com 6SH7 proporciona exatamente o dobro do ganho do inversor com EF86 do QUAD II Classic Esta providência foi necessária para levar o amplificador à máxima potência com o mesmo sinal de excitação.

Realimentação: O ponto P corresponde ao Terra e a realimentação se efetua a partir do ponto Q
Valores Úteis: Quad II40: R=3k3 Quad II80: R=6k8
O QUAD II 80:
Inteligentemente desenvolvido no mesmo chassis do modelo QUAD II 40. Usa o espaço da válvula retificadora e do choque do modelo 40 para colocação de quatro válvulas de saída. A retificação e regulagem de corrente é agora feita em estado sólido, o inversor de fase é projetado de forma a garantir características elétricas de sensibilidade e resposta idênticas ao modelo 40 diferindo apenas a potência máxima permitida.

O engenhoso inversor de fase do QUAD II80 utiliza três válvulas uma 6SN7 em SRPP que alimenta um par de 6SL7 em paralelo. Esta configuração foi herdada dos LEAK e dos Mullard. Proporciona o mesmo ganho das 6SH7 do QUAD II40, mas oferece impedância de saída muito mais baixa necessária para que não haja perda de agudos na configuração PP Paralela usada o modelo 80 e ainda mais, um superior equilíbrio entre as fases em função do acoplamento direto entre as etapas. Observe que este inversor tem suas saídas em fase reversa do anterior.
O diagrama do inversor de fase da versão 80 foi desenvolvido por Tim Paravicini e levantado e demonstrado pelo Eng. Ricardo Ivo Rainha Dias Faro de Carvalho da Faculdade de Engenharia da Universidade do Porto e publicado pela Associação Portuguesa de Engenharia de Áudio de Lisboa.

As duas etapas de saída encontradas nos QUAD II40 e II80 utilizam KT88 com 500V em placa e 480 em grade auxiliar.
6. CONSTRUÇÃO DO TRANSFORMADOR DE SAÍDA
O Histórico apresentado tem por finalidade demonstrar nossa decisão sobre o novo transformador de saída em função dos ensinamentos oferecidos pelo original.
6.1 Considerações gerais
1- O transformador original é muito trabalhoso de se construir.
2- Portanto em função do custo, é melhor produzir um transformador de saída de maior potência, visto que o custo incidente da mão de obra é o mesmo.
3- Os experimentadores de todo o mundo têm reclamado dos transformadores utilizados no modelo II Classic. O aparelho em si é perfeito, mas não suporta o sobre aquecimento se usado com novas válvulas de saída tais como a KT88, a EL34,e a EL 156 que fatalmente queimam o saída ou o força. Os transformadores originais limitam o circuito apenas às KT66, 6L6, 5881, e 7027.
4- Descartamos trabalhar potências super-elevadas, mas vamos sugerir um transformador de saída capaz de operar com todas as válvulas de primeira linha.
5- Nosso transformador de saída ficará na faixa do QUAD II40 com operação com uma tensão mais baixa, visto que nosso objetivo será utilizar todos os tipos de válvulas comerciais (6L6, 5881, 7591, KT66, EL34, KT77, 6550, KT88, 8417, 6GB8, KT90, EL509 e EL156) sem modificação de circuito, tornando nosso protótipo apto a todas as experimentações e testes –Excelente portanto à toda classe de Músicos e Audiófilos.
6- Simplificação construtiva Utilizando os princípios da experiência da Dynaco sobre a Acrosound quanto à técnica de enrolamentos; simplificando-os sem perda de qualidade.
7- Além do mais, o equipamento ficará num nível de alto padrão, podendo-se comparar a qualquer High-End do mercado.
6.2 Apresentação do saída original QUAD II Considerações gerais
No item 2.3 apresentamos as medições elétricas levantadas no transformador de saída original pelo eng. Menno Van der Veen. Vamos agora apresentar as dimensões originais usadas nas séries I e II e em todas as variantes dos modelos pré-1970. Os transformadores de saída por realimentação de catodo são hoje também produzidos pela TANGO, pela Tamura, pela Lundahl, pela Plitron, pela Hammond e alguns outros fabricantes.

Dimensões: seqüência A; B; C. como no desenho.
Dimensões dos transformadores originais: (em mm) (para 15 Watts)
Saída original 100x82x35
Força 118x96x40
Choque 66x54x23

Dimensões dos transformadores de saída usados no modelo 1 I/II, 12 e II e caixa de cobertura do modelo II.
Novas Dimensões propostas: (em mm)
Novo Saída 115x96x50
Novo Força 122x100x70
Choque 98x80x35
( Novo limite de potência =35Watts –)
(– Alterações necessárias no transformador de Força )
6.3 Os enrolamentos:
O transformador de saída é o ponto chave de um amplificador. Baseado nos dados de 2.3 damos o número de espiras e o esquema de montagem originalmente utilizado.
Os três desenhos abaixo mostram a “alma” construtiva do transformador de saída QUAD. Nele as seções são enroladas ao estilo “bobinamento de motor” como panquecas, este processo de extrema dificuldade exigindo formas pré-estabelecidas divide o transformador original em 13 secções distribuídas como vemos no desenho e na fotografia abaixo.



Distribuição das espiras no transformador de saída QUAD:
As partes em amarelo correspondem à distribuição do primário.
As partes em verde correspondem ao secundário.
A camada em azul corresponde ao terciário de realimentação aos catodos.
Neste desenho temos inclusive as formas de ligações entre as espiras.

Distribuição das espiras. Vista em perspectiva.

Explodido do transformador de saída.
6.4 Impedâncias e espiras nos transformadores do QUAD II
SAÍDA:
Seguindo dimensões propostas:
Primário:
Total de 13 seções empilhadas:
1506 espiras em seis panquecas de 251 espiras fio #27.
distribuídas como no diagrama ilustrativo abaixo:
Fio dupla camada
(0.355mm no padrão europeu). –enrolamentos em amarelo.
Secundário: Com duplo sistema de enrolamento. Ligação paralela.
Dois conjuntos de três panquecas (total seis) com respectivamente duas de 54 espiras cada uma, quatro de 27 espiras cada uma, onde será realizada a derivação para 7.5Ohms fio #21.
Perfazendo seis panquecas duas de 54 espiras e quatro de 27 espiras.
Interligações nas espiras em paralelo. Veja diagrama ilustrativo.
Fio de dupla camada
0,89mm (no padrão europeu). –enrolamentos em verde.
Terciário: Enrolamento bifilar com dois enrolamentos de 81 espiras em 9 camadas fio #27.
Ligação da ultima espira de um enrolamento com a primeira do outro.
Fio dupla camada
. (0.355mm no padrão europeu). –enrolamento em azul.
FORÇA: *
Seguindo dimensões propostas:
Rede: 127Volts: 332 espiras de fio #20 ou 220Volts: 575 espiras de fio #22.
–não se recomenda transformador bi-volt.
Alta tensão: 2x310Volts 150ma. 1700 espiras de fio #29. Enrolamento com derivação central.(2x850 espiras em série).
Filamento da retificadora: 5V 3A – 13 espiras de fio #19.
Filamento das válvulas amplificadoras: 6.3V 4.5 A – 17 espiras de fio #16. com derivação central.
Blindagem eletrostática entre primário e demais enrolamentos.
CHOQUE: *
Seguindo dimensões propostas:
288 Ohms DC 30Hy. (sem gap) 2080 espiras fio#26.
* Para repetirmos o QUAD II Classic.
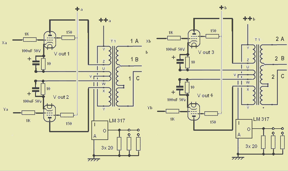
6.5 Distribuição e conexão dos enrolamentos

Esquema de distribuição das espiras e suas ligações Modelo 1 , I/II e 12.

Diferenciação nas ligações de secundário entre as séries I , I/II e 12 e QUAD II.
O leitor poderá optar por qualquer uma das ligações uma vez que em ambos o comportamento é idêntico.



Ligações 1 A, 1 B e 1 C respectivamente conectadas em 2 A, 2 B e 2 C.

xxxxxxxxxxxxxxxxxxxxxxx
QUAD Japonês TANGO com acoplamento direto
1. タョーク 60.000Ohms choke

Jogo de transformadores:

XE-60-5

MX-280


ST-30-S

TC-10-130W

TC-60-35W
xxxxxxxxxxxxxxxxxxxxxxxxxxxxxxxxxxxx
Continua >>>>>>>>>