
Cosmoson
II
Terceiro Capítulo.
Bem a proposta estava lançada. Com briga ou sem briga ela estava lançada. Quando fosse ligado o rádio deveria falar imediatamente sem qualquer chave comutadora. E o estéreo tinha que funcionar com canal central.
Estudamos as etapas de saída do sistema montado e tentamos achar uma solução.
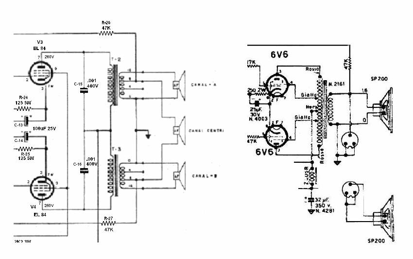
Os circuitos do Cosmoson estão acima. O do Radio K que era um Fidelinho que segue bem de perto o do Geloso G206 que está abaixo reproduzido por falta do original.

Amplificador Geloso G206
Logo a seguir reproduzimos ambos diagramas no que se refere às etapas de saída.

Abaixo reproduzimos as ligações adotadas.
Em estereofonia funcionava o estéreo com o canal cental e no rádio funcionavam as três caixas.
Simplesmente excelente.

Abaixo a configuração real.
No diagrama acima, os alto-falantes na realidade significam os gabinetes acústicos.

Quem está pensando que a coisa acabou por aí?
A esta altura do campeonato temos um adendo ao Terceiro Capítulo. Mais uma inovação do meu priminho. Ele acabara de comprar um reverberador Sincronayzu na rua República do Líbano. Queria que fosse instalado no sistema. O reverberador nacional era muitíssimo interessante, muito bem acabado e nada devia aos importados. Muito mais tarde visitei a produção deses Japoneses de São Paulo. Estudei-o com cuidado e desenvolvi o circuito que demonstro a seguir. Para que tivesse o preço contido optei pelo “Rabo-quente” usando duas 35W4 para servir de “ballast”. O meu amigo Luis do receptor Diamond/amplificador Eletronic e toca-discos Sincro, cujo lay out o Toninho seguiu ao adaptar o seu Cosmoson, cedeu um chassis em desuso de um radinho “Fada”.
Em um dia montei o amplificador de reverberação. O transformador usado er um “Astral” e o alto falante de reverberação era um “Best” de 4 polegadas. O sinal de entrada era controlado por um potenciômetro FE-AD de fio. E a montagem final seguiu um sistema “Sandwich” com um painel de Eucatex perfurado.
Este processo só foi possível porque o reverberador tinha a carcassa e os dois pólos das duas entradas totalmente isolados entre si, permitindo esta “gatunagem”. O sistema é simples e funciona melhor que os modelos comerciais com pré-amplificadores de realimentação. A total independência evita a instabilidade no circuito.

Esta é a unidade de molas da Synchonaizu

Este foi o circuito de reverberação adotado

Esta foi a montagem dos falantes no canal central. Transformamos pó falante em co-axial no qual o elemento central é o elemento de reverberação.
xxxxxxxxxxxxxxxxxxxxxxxxxxxxxxx
Quarto Capítulo
Descrição técnica e qualidades inerentes ao circuito Cosmoson.
O amplificador da Cosmoson era, e continua sendo um produto inédito no mercado brasileiro. A empresa que fabricava o produto era a Cosmoson Produtos Eletrônicos Ltda e ficava em Jacarepaguá, naquela época Estado da Guanabara. A empresa iniciou de forma muito interessante, talvez em 1961 ou 1962 produzindo bobinas universais prontas para reposição em transformadores de força para rádios. O meu amigo Diniz foi o primeiro a demonstra-las. Ele tinha uma enorme sucata de transformadores velhos queimados e comprou um monte de bobinas com acabamento azul pra recondicionar os transformadores e vende-los como novos. Logo depois a mesma Cosmoson colocou no mercado a linha vermelha que já vinha seca em estufa e envernizada. Um produto superior. Não demorou muito, eles lançaram o amplificador HF-10 monofônico com duas EL84 em push pull Ultralinear. Este equipamento era ainda comercializado mesmo após o lançamento do ST-20 (e o companheiro menor ST-15) objeto deste artigo. A Cosmoson andou também fabricando reguladores automáticos para televisão e boosters VHF para antena de TV e FM. A empresa sobreviveu ate 1986. A principal característica de todos os amplificadores da Cosmoson era o transformador de saída empregado. Utilizava o enrolamento em panquecas diretamente herdado dos Quad ingleses, estes, seguiam a característica aparência da bobina que demonstramos abaixo, numa tradicional montagem “E”
Eis que o emblema adotado dos dois leões e a coroa com o emblema heráldico manifestava também a origem inglesa de alguns fundamentos tecnológicos e manufatureiros.


Aparência do bobinado distribuído em panquecas e montagem vertical tipo “E”.
Veja distribuição típica em http://www.novacon.com.br/audiohmq1c.htm
Dimensões externas dos transformadores de saída:
ST20: H=67 L=55 E=45 (medidas em mm)
ST15: H=62 L=51 E=41 (medidas em mm)

Logotipo da Cosmoson. Às vezes, aparecia apenas a coroa.

O amplificador ST-20, que especificava como 20 W de potência de pico, na verdade tinham apenas 3.3W de potência contínua conforme especificado no manual da Mullard, (vide http://www.novacon.com.br/audiolabsta2.htm Mullard 3/3) nas características operacionais da válvula de saída.
Apresentação e acabamento:
Os amplificadores da Cosmoson tinham sua aparência externa nitidamente influenciada pelos H.H.Scott de fabricação americana, apresentando uma variação inexistente nos modelos americanos que só possuíam como marca registrada os painéis dourados, o Cosmoson era também vendido em versão preto escovado. O circuito interno nada tinha a ver com os Scott; na realidade empregavam um circuito bem funcional idêntico ao Melody 3 de produção italiana. No modelo ST-20 válvulas e valores dos componentes eram exatamente os mesmos com exceção do potenciômetro de volume de entrada que no modelo italiano era um de audibilidade. Fato é que a médio volume não há diferença, pois os controles de tonalidade compensam perfeitamente. A retificação do Cosmoson era feita por uma 5Y3 enquanto o italiano tinha uma 5V4.
O modelo ST-15 tinha algumas simplificações a fim de diminuir o custo do equipamento. Este mantinha o mesmo circuito geral do ST-20, porém V1A e V2A passam a ser em uma só ampola - V1(12AX7). V1B e V3 assim como V2B e V4 (cada um conjunto ½ 12AX7+EL84) passam a ser respectivamente V2 e V3 (ECL82/6BM8). V5 (5Y3) passa a inexistir sendo substituída por quatro retificadores de silício BY127. Alguns valores de componentes são também alterados. A realimentação negativa passa de 47K para 68K O resistor de placa dos triodos 6BM8 passam a ser de 220K. o resistor de catodo dos pentodos 6BM8 passam para 470 Ohms o resistor de queda de tensão para as screen das 6BM8 passa a ser de 3.9K. ponto também de conexão dos resistores de 220K das placas dos triodos, inexistindo o terceiro capacitor de filtro agora de 100+100uF x 350V.
O transformador de força 2x275V 120ma empregado no ST-20 passa a ser de 1x250V 100ma, e os transformadores de saída embora 8KOhms x 4/8/16 Ohms são de menores dimensões nos ST-15.
No mais, mesmo chassis, mesma apresentação externa e mesma chave automática para toca-discos.
Distribuição dos componentes no chassi:
O mesmo chassis era utilizado em todos os amplificadores da Cosmoson, desde o primeiro modelo monofônico lançado. Apesar de compacto, bastante amplo para os componentes. Montado nas velhas tradições de união ponto a ponto sem uso de circuitos impressos. Uma de suas peculiaridades era o posicionamento dos transformadores no centro para manter a distribuição de peso no aparelho e ao mesmo tempo isolar a fonte de alimentação do circuito de áudio minimizando o zumbido. Outra peculiaridade era o posicionamento das conexões nos extremos do gabinete metálico com as mesmas intenções. O desenho a seguir mostra as distribuições dos componentes e conexões.

Distribuições dos componentes na montagem do ST-20
Descrição do circuito
Em termos de industria brasileira o amplificador estereofônico Cosmoson foi a meu ver o unico produzido (á um nível de alcance de componentes nacionais) capaz de competir em qualidade sonora com similares importados. A qualidade dos transformadores é única. O baixo preço de venda foi porém um empecilho. Na época havia um preconceito contra a saída simples, o nosso popular Single Ended. Por outro lado, o consumidor geral não acreditava nas qualidades introduzidas pela metodologia empregada no transformador, simplesmente pelo fato de não haver concorrentes produzindo o mesmo tipo de transformadores.
O circuito é em si bastante convencional. Possui dois elos de realimentação negativa com o objetivo de manter baixa a distorção geral do amplificador. O primeiro estágio tem realimentação negativa por degeneração de corrente. O segundo elo compreende uma realimentação de tensão a partir da saída de áudio até o segundo estágio amplificador logo após os controles de tonalidade, estes já posicionados em local de nível elevado de sinal contornando a possibilidade de captação de zumbido nestes estágios.
Dispõe dos seguintes controles:
Seletor de entradas, FONO, TRANSISTOR, FM-AM, TV-TAPE, AUXILIAR. Impedância em todas as entradas 1MOhm. Sensibilidade de 220mV para saída máxima em 1.000Hz. Volume, Equilíbrio, Graves e Agudos em controles separados. Controles de tom: Reforço e atenuação de 20dB em 100Hz e 10.000Hz em relação a 0dB - em 1.000Hz. Interruptor liga/desliga e luz piloto. Comando Automático permitindo desligamento pelo toca-discos ao final do ultimo disco.
Resposta: 30Hz a 30.000 dentro ± 3dB. Potência: 6W contínuos 20W de pico. Consumo de rede 60W.
Sobre o ST -15 - dados idênticos: Potência: 4.5W contínuos 15W de pico.
O pré-amplificador PA-18 é construído para a curva RIAA e casa a saída de cápsulas de relutância variável com saída média de 12mV.
Conclusão: Um excelente produto de baixo custo de bons resultados auditivos.
Dados técnicos para construção do transformador de saída:
4.67 KOhms (100mA) x 4/8/16 Ohms
Dimensões recomendadas: ferro E/I: Gap de 0,15 mm H=67; L=55; E=0,35; Empilhamento= 22

Primário : 3600 espiras divididas em 5 seções de 720 espiras cada uma. Fio nº nº32
Secundário : 228 espiras divididas em 4 seções de 57 espiras cada uma. Fio nº nº 21
Fios dupla camada.
Derivaçõessecundário: na 114ª espira (4 Ohms) e na 171ª espira (8 Ohms)
Eficiência :– 96%.
Ou:
Utilizar Transformador de saída Lynx Áudio TS8B
Transformador de força recomendado: Lynx Audio TF350 com aplicação de choque Lynx Audio C8H80 diretamente na saída da 5Y3
|
|


Configuração da etapa de saída com os transformadores TS-8B . A fonte com o transformador TS-350 permite a que alimentação do amplificador reverberador “B” seja suprida pela mesma origem.
xxxxxxxxxxxxxxxxxx
>>>>>>>>>>