
Deseja montar um estereofônico Cortese 2a?
Nossas sugestões:
Encontrar uma substituta da F2 a não é fácil, pois a mesma possui 21.000 micromhos de transcondutância.
Duas EL84 em paralelo atendem a demanda. A substituta direta seria a EL503, mas é uma válvula que não pegou e é praticamente impossível de ser encontrada mesmo na Alemanha onde foi lançada. Veja: Tabela de válvulas para Áudio http://www.novacon.com.br/audiotabvaud.htm e uma segunda substituta com maior corrente de placa seria a EL 509. Esta, contudo deverá ser domada diminuindo-se a tensão da grade auxiliar para que possamos limitar a corrente de placa. Apresentamos aqui as duas variantes. - Na fonte de alimentação adaptamos o transformador de força com choque de entrada para forte diminuição de tensão sem causar sobreaquecimento e colocamos duas 6D22C que agüentam com folga as correntes de consumo nas duas versões.
Versão 1 com duas EL84 em paralelo por canal.

Versão 2 com uma EL509 por canal.

Fonte simplificada para ambas as versões.

Os diodos amortecedores são projetados para cortar o “pulo” negativo que ocorre na bobina de deflexão horizontal nos televisores durante o intervalo de retraço. Similarmente a reatância de transformador de saída, mormente em conexão “Single-Ended” também é sujeito a tais pulsos quando opera próximo ao seu limite de saturação, isto é, em sua potência máxima. Por esta razão aplicamos uma segunda 6D22S diretamente na alimentação dos transformadores de saída em nossos circuitos revisados. As válvulas amortecedoras também são projetadas para grandes surtos de corrente e tensões inversas sem que abram arco interno. Estas características as colocam num patamar acima das retificadoras comuns mesmo as de melhor desempenho. Seus catodos são também muito mais isolados de seus filamentos, o que proporciona uma possibilidade de tensões mais elevadas entre filamento catodo sem risco de abrirem curto, pois as mesmas trabalham numa linha comum de alimentação de filamentos nos televisores convencionais. Estas propriedades favorecem a 6D22S como retificadora de fonte de muitos tipos de amplificadores. Nos circuitos sugeridos é suficiente a retificação de meia onda, pois são supridas as necessidades de corrente e rebaixamento de tensão através do choque de entrada, ao mesmo tempo que deslocamos o zumbido remanescente para 60 Hz em vez de 120 Hz tornando-o mais domável e mais para baixo do espectro audível, aliás, esta providência nos é recomendada por Tadaatsu Atarashi em suas novas versões de amplificadores clássicos. (veja logo abaixo nesta mesma página)
Entre as características mais desejadas das 6D22S estão a baixa resistência interna e a necessidade de um tempo de aquecimento muito mais longo para sua operação em regime total. Esta propriedade faz com que a alta tensão somente seja aplicada no circuito após as válvulas de potência jê estarem em estado de total condução. Esta propriedade aliada à baixa resistência interna faz com que se aplicada aos pares substitua diretamente as válvulas retificadoras de mercúrio e o relé de tempo associado, tornando não apenas o circuito muito mais seguro e praticamente imune de defeitos, mas também muito mais barato e ecologicamente correto.
Testamos a 6D22S contra a original Mullard 5AR4/GZ34, uma 5U4G genérica e uma 5V4GT russa no circuito demonstrado na figura 2. O quadro que reproduzimos mostra o seu comportamento. Desta forma eliminamos o relé de tempo ou outro qualquer dispositivo de retardo na alimentação.
TEMPO DE AQUECIMENTO EM CIRCUITO DA FIGURA 2 COM FONTE DE
ALIMENTAÇÃO
Filamentos da 6D22S operando com 6.3v, As demais válvulas com 5.0v.
Todas as válvulas partiram frias. Não aplicamos carga durante o teste.
Common 5U4G 1/2 second
Russian 5V4GT
12 seconds
Mullard 5AR4/GZ34 29 seconds
Svetlana 6D22S pair 36 seconds
Outro teste foi realizado com a 6D22S operando em 5.0-volt. Apesar de especificada para operar em 6.3v, um teste de carga mostrou que a 6D22S pode ser alimentada com 5.0 volts sem qualquer perda de sua capacidade de corrente. Duas 6D22S consumirão apenas 3.0 amps a 5.0 volts AC.
TESTE DE CARGA PARA UM PAR DE 6D22S, RETIFICAÇÃO EM ONDA COMPLETA ALIMENTADAS COM 5.0 VOLTS AC, 3 AMPS TOTAL:
|
Output current |
Output DC voltage under load: |
|
|
|
with heater at 6.3v |
with heater at 5.0v |
|
23
mA |
457
vdc |
456
vdc |
A seguir damos três sugestões de uso das 6D22S. Estes circuitos foram cuidadosamente comprovados em bancada com curvas de carga de acordo com o consumo. Estes circuitos fornecem regulação de 16% ou melhor, dentro de seus parâmetros usuais. Ao desejarmos mais estabilidade, poderemos empregar capacitores de maior valor após o choque de filtro. Nestas montagens recomendamos uma cobertura protetora nos capacetes de saída de +B para evitarmos choques acidentais.
Figure 1- Small supply is suitable for preamps or for 6BM8, SV83 Single or PP low power amps. A separate heater supply for the audio tubes is recommended.

Figure 2
- 450-volt
supply can power simple push-pull tube amplifiers or preamps. Will operate
single ended amplifiers using 811 or SV572, or any commonly-used EL34, SV6L6GC
or SV6550C push-pull amplifier circuit using two tubes. Note that the 5-volt
winding on the transformer may be used to run the 6D22Ss to free up the 6.3v
winding for use with other tubes. This has been tested as above, and seems to
result in virtually no performance penalty.

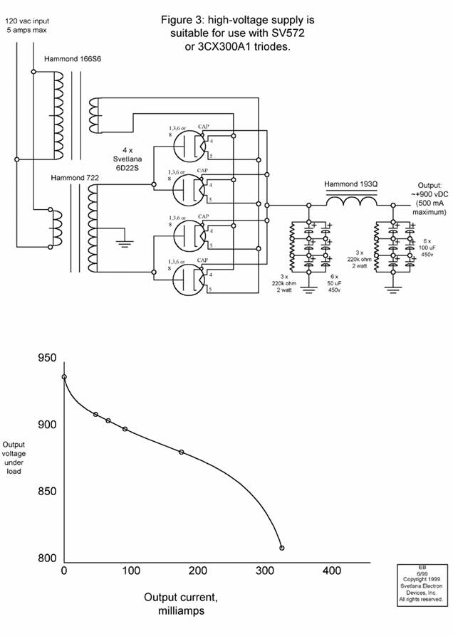
Figure 3
- High-voltage
supply is suitable for use in high-power amplifier applications with SV572 or
3CX300A1 triodes. It is also suitable for running a pair of Svetlana 3CX300A1
tubes up to full power dissipation. On the bench, this supply has delivered up
to 500 mA.


Fonte para EL136
Equivalências próximas

6D22C=6DL3=EY500A
Duas versões de amplificadores sugeridas pelo Sr. Tadaatsu Atarashi usando fonte retificadora de meia onda:
Versão modificada do Mullard 5-20

Versão original

Versão modificada do Western Electric 91B

Versão original

xxxxxxxxxxxxxxxxxxxxxxxxxxxxxxxxx
EF12

F2 a





Nota sobre a F2 a :
Trata-se de uma válvula similar a aduas EL84 em paralelo, respeitados os limites máximos de tensão.
Este é o segredo dos amplificadores de potencia Manley quanto a sua excepcional sonoridade.
Veja: http://www.novacon.com.br/audiolabsta7h.htm
xxxxxxxxxxxxxxxxxxxxxxxxxxxxxx