
Super Válvulas
http://www.tube-amps.net/Hashimoto_Sound.htm
http://www.jogis-roehrenbude.de/Roehren-Geschichtliches/EL503/EL503.htm
EL503

G Jansen nos brinda com este artigo publicado na revista alemã Funk-Technik nr1 1966 logo após o lançamento pela Valvo GmbH desta nova válvula pentodo EL503. Trata-se de uma versão popular da versão SIEMENS F2 a desenvolvida pela Valvo para superar as EL34. Foi projetada para utilização em fins profissionais. Jansen nos oferece um simples circuito de amplificador de potência que com apenas 275V de placa na válvula de saída pode nos brindar 30 W de áudio RMS. O circuito apresentado é apenas uma sugestão para um PA, pois o mesmo está um pouco longe do que poderia ser uma alta fidelidade. O mesmo artigo foi publicado em espanhol por E. Rodenuis publicadas em “Circuitos Amplificadores de Hi-Fi” Biblioteca Técnica de Philips Edição de 1970. Nas especificações originais, um par em PP AB nos fornece 40W de saída com apenas 265V em placa excitadas com apenas 11.5V em grades. Estranhamente o tipo deixou de ser produzido ainda em 1967. sendo substituída pela EL520 que tinha alteração apenas na selagem do bulbo. Este fenômeno se prende ao fato que na época apareceram vários amplificadores de muita potência em estado solido e muitíssimo mais baratos. E a EL503 ficou praticamente restrita aos instrumentos musicais e amplificadores de guitarra. Nestes casos o som mais tradicional das EL34 prevaleceu. Soubemos que recentemente a JJ ensaiou uma pequena serie piloto que, todavia não chegou a ser comercializada. Vamos aguardar. Algo acontecerá.
Na figuras abaixo vemos as curvas de corrente de placa e grade auxiliar em referencia à potencia produzida. Ao mesmo tempo a curva k nos mostra a distorção do amplificador para as mesmas condições.
A outra figura nos apresenta os níveis de potência para os diversos níveis de sinal de entrada.
A EL503 é diretamente equivalente à EL520 da Francesa Mazda e à 8278 da Amperex.

A seguir especificações técnicas da válvula em questão
Características próximas a duas EL84 em paralelo.



EL503=EL520=8278









Aqui encontramos alguns circuitos utilizando as recém lançadas EL503.

Hohner Orgaphon SR 62B

Schaltung RIM 80-100W Musikant

Schaltung RIM RMV1000

Orgaphon 60MH

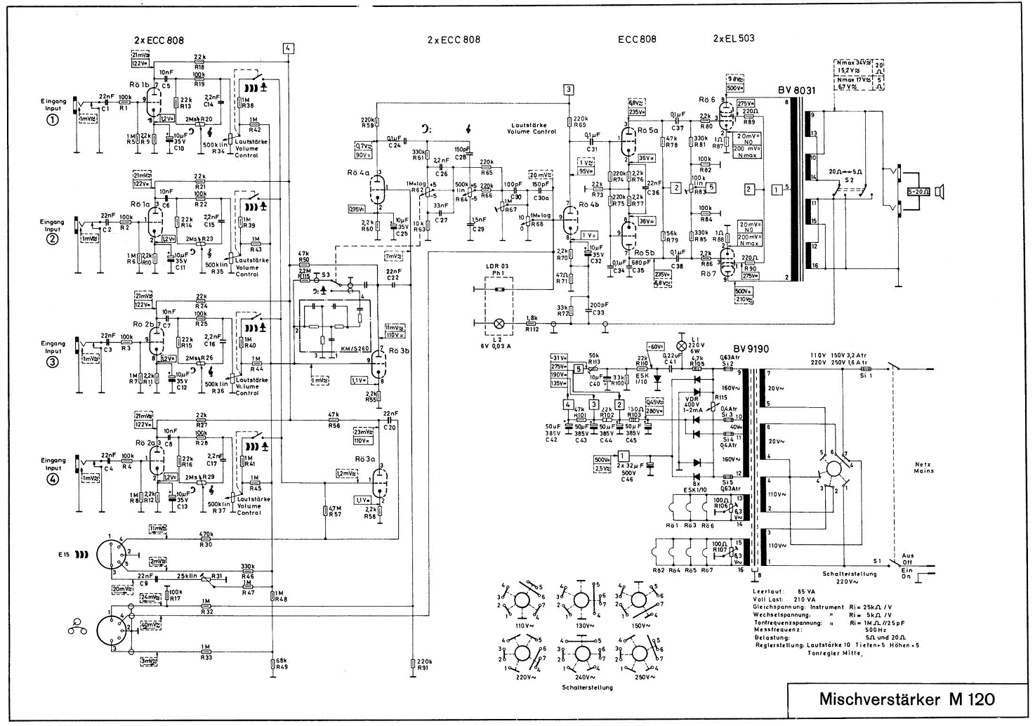
Echolette M120

Geloso G1=1110A II serie



Faylon

FBT

>>>>>>