
Mullard New 3

Circuitos de gravação e reprodução de som.
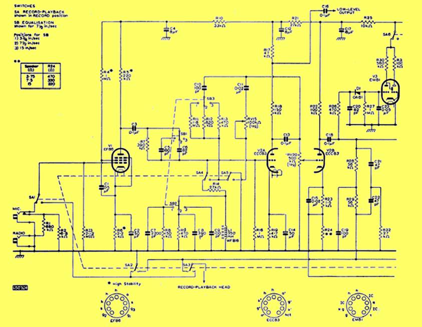
Pré-amplificador Universal reprodutor de cabeça magnética e amplificador monitor.



Ver circuito em tamanho grande




Proposta para medição de nível com Vuímetro.

Fonte de alimentação Universal pra amplificadores de gravação/reprodução.


Pré-amplificador para gravação em cabeça magnética de alta impedância.
Duas propostas para medição de nível: Olho mágico e Vuímetro.




Ver circuito em tamanho grande



Oscilador de alta freqüência para polarização da fita na gravação.

xxxxxxxxxxxxxxxxxxxxxxxxxxxxxxxxxxxxxxxxxxxxxxxx