
Shindo 2
Origens
Evidentemente os amplificadores Shindo mantém a tradição dos amplificadores Klangfilm para cinema da Siemens que indiscutivelmente marcaram uma época que ficou gravada na mente do público pela extraordinária qualidade auditiva dos mesmos. Os que tiveram o privilégio de ouvi-los, nas exibições de películas que fizeram história, nas décadas de 50 e 60 do último século, poderão agora adquirir estes novos “modestos” aparelhinhos, e desfrutar da mais alta qualidade em termos de um aparelho compacto. Todo o segredo se prende à extraordinária válvula de saída, a F2a que é feita na medida para uma reprodução perfeita. O segredo desta excepcional válvula sem equivalente direto no mercado internacional, é a exata dosagem de corrente em repouso aliada á extraordinária transcondutância que proporciona, tudo isto aliado a uma longa vida da mesma. A outra facilidade é a particularidade de uma grade auxiliar que se permite trabalhar à tensão de placa sem causar corrente excessiva de placa. A isto tudo se pode adicionar a facilidade que proporciona a construção de circuitos simples, sem grandes rebuscados que somente vem trazer mais problemas de ajuste e introduzir distorção ao sinal original. Grande parte das instalações de cinema no Japão era equipada com os amplificadores Klangfilm que deram baixas, e o Sr. Shindo adquiriu as válvulas de reposição e passou a reproduzir os transformadores nas fórmulas da Siemens. Apresentamos dois amplificadores dos anos 50 que utilizavam estas válvulas. Estes amplificadores vinham aos pares com um novo par para reserva de audição se o principal sofresse alguma falha.
Apresentamos aqui os amplificadores V403 e V204. Os V403 são os principais e os V204 são os de emergência.
Os amplificadores principais trabalham em push-pull triodo e os de reserva em conexão single-ended pentodo.
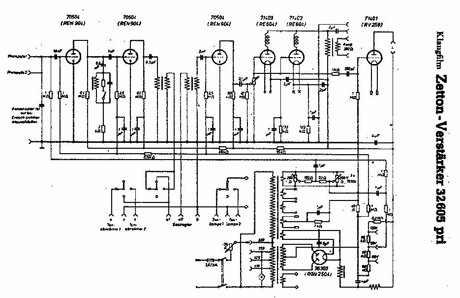
No trajeto do sinal de áudio apenas dois tipos de válvulas são usados. As EF12n e as F2 a. as EF12n só pentodos de alto ganho e estão sempre em conexão triodo. Os amplificadores principais têm retificação à válvula GZ34 enquanto os amplificadores de emergência trabalham com ponte retificadora de selênio, muito a gosto dos alemães.
O modelo V403 é incluído para ilustração enquanto nos deteremos na versão single-ended que é o pai, ou talvez o avô do nosso Shindo.
O Siemens Klangfilm
http://www.classicaudio.ru/articles/klangfilm.pdf
http://klangfilm.free.fr/index.html
http://www.tube-classics.de/indexen.htm
1946
Primeiros modelos pós guerra com acoplamento interestágio a transformador.
Amplificador principal

Amplificador de emergência

RE 604 variante PX4 com meshplate 12W
REN904 triodo universal de médio mu
RV258 triodo de baixo mu para 800V em placa variante menor da 211 filamento 7V
RGN2004 retificadora onda completa similar 5U4 com filamento 4V
RGN2504 retificadora onda completa similar 5Y3 com filamento 4V
xxxxxxxxxxxxxxxx
1951

AMPLIFICADOR SIEMENS V403
Básico de amplificação 15 Watts
Citado a título de demonstração qualidade de áudio equivalente ao Mc Intosh.

AMPLIFICADOR SIEMENS V403 VISTA DO CHASSI
Chamamos a especial atenção à extraordinária dinâmica de resposta destes amplificadores.
Apenas duas unidades destes, com apenas 15 W cada um serviam à uma platéia de 300 expectadores.
1951

AMPLIFICADOR DE RESERVA SIEMENS V204
Amplificador de emergência 8 Watts
Apresentado a titulo de observação.

DOIS AMPLIFICADORES SIEMENS V204 VISTA DOS CHASSIS
Observe que os dois amplificadores de reserva ocupam o mesmo espaço de um amplificador principal.
Os amplificadores visualizados foram produzidos em 1952B e estão adaptados para estereofonia doméstica
para uso particular e preferencial do Sr. Karsten Schmidt, especialista e apreciador dos equipamentos da Klangfilm. Estas pequenas maravilhas foram trabalhadas com afinco pelos técnicos da Siemens para que o ouvinte não conseguisse de pronto perceber a mudança de áudio do amplificador principal para o de emergência, Portanto este brinquedinho single-ended, (10 W) ao ter características sonoras próximas da versão Push-pull , também só vai ter um concorrente à altura com um Mc. Intosh!
|
|
|
xxxxxxxxxxxx

DETALHE AMPLIADO DO AMPLIFICADOR SIEMENS V204
Vemos aqui apenas uma etapa de saída que é a parte utilizada quando se adapta o mesmo para Hi-Fi .

transformador de saída Original V204

LISTA DE MATERIAL AMPLIFICADOR SIEMENS V403
CURIOSIDADE
O retificador em ponte GL (Steckgleichrichter) é uma particularidade da Siemens
São retificadores de Selênio de células empilhadas que cumprem a função.
São extremamente compactos, e não produzem ruído na fonte.
Vários tipos de tensão de trabalho e corrente máxima permitida.
O modelo abaixo é para fontes de 250V e 150mA.

xxxxxxxxxxxxxxxxxx
= Os Gabinetes Acústicos Klangfilm no próximo segmento=
xxxxxxxxxxxxxxxx